ترانس PT چیست؟
ترانس ولتاژ یا Potential Transformer (PT) یکی از مهمترین تجهیزات اندازهگیری و حفاظتی در شبکههای برق فشار متوسط و فشار قوی است. وظیفه اصلی آن کاهش ولتاژ بالا به ولتاژی ایمن و استاندارد است تا بتوان با دستگاههای اندازهگیری یا رلههای حفاظتی کار کرد.
بدون PT، اتصال مستقیم تجهیزات اندازهگیری به ولتاژ بالای شبکه (مثلاً ۲۰ کیلوولت) هم از نظر ایمنی خطرناک است و هم باعث از کار افتادن سریع آنها میشود. PT این مشکل را حل کرده و با دقت بسیار بالا، ولتاژ را کاهش میدهد.
—
تفاوت PT با CT
گرچه هر دو زیرمجموعه Measuring Transformers هستند، ولی وظایفشان متفاوت است:
| ویژگی | PT (ترانس ولتاژ) | CT (ترانس جریان) |
|---|---|---|
| وظیفه | کاهش ولتاژ به مقدار استاندارد | کاهش جریان به مقدار استاندارد |
| اتصال به مدار | موازی | سری |
| خروجی استاندارد | 100V، 110V یا 220V | 1A یا 5A |
| کاربرد اصلی | اندازهگیری ولتاژ و حفاظت ولتاژی | اندازهگیری جریان و حفاظت جریانی |
وظایف اصلی ترانس ولتاژ
-
اندازهگیری ولتاژ شبکه با دقت بالا
-
تغذیه تجهیزات حفاظتی مانند رلههای دیستانس
-
ایزولهکردن سیستم اندازهگیری از شبکه اصلی
-
تأمین برق کمکی برای برخی مصرفکنندهها (در مدلهای تغذیه)جهت مطالعه درباره وظایف و کاربرد های ترانس ولتاژ روی مقاله کاربرد ترانس ولتاژ PT کلیک کنید. (روی عکس کلیک کنید.)
اجزای تشکیلدهنده PT

-
هسته مغناطیسی: ورقههای فولاد سیلیکونی با نفوذپذیری بالا
-
سیمپیچ اولیه: متصل به ولتاژ بالا، با عایق مقاوم
-
سیمپیچ ثانویه: متصل به تجهیزات اندازهگیری یا حفاظت
-
عایقبندی: رزینی، روغنی یا ترکیبی
-
ترمینالها: طراحی استاندارد برای اتصال ایمن
-
محفظه و بدنه: حفاظت مکانیکی و محیطی
انواع ترانس ولتاژ
ترانس ولتاژ القایی (Inductive VT)
-
رایجترین نوع PT
-
دارای سیمپیچ و هسته مشابه ترانسهای قدرت
-
مناسب برای ولتاژهای تا 72.5kV
-
دقت بسیار بالا برای اندازهگیری
ترانس ولتاژ خازنی (CVT)
-
استفاده از شبکه خازنی برای تقسیم ولتاژ
-
مناسب برای ولتاژهای بسیار بالا (تا 765kV)
-
قابلیت فیلتر کردن و استفاده در مخابرات PLC
ترانس ولتاژ رزینی (Cast Resin VT)
-
عایق رزینی اپوکسی
-
مقاوم در برابر گردوغبار و رطوبت
-
نصب آسان در محیط داخلی
ترانس ولتاژ هوایی (Outdoor VT)
-
طراحی مقاوم در برابر شرایط جوی
-
نصب بر روی دکلها و خطوط انتقال
برای اطلاعات بیشتر کلیک کنید
مشخصات فنی مهم
-
ولتاژ نامی اولیه: مثلاً 20000V
-
ولتاژ نامی ثانویه: 100V، 110V، 220V
-
توان نامی (VA): توان ظاهری خروجی، معمولاً 25 تا 1000VA
-
کلاس دقت: 0.1، 0.2، 0.5، 1، 3P یا 6P
-
فرکانس نامی: معمولاً 50Hz یا 60Hz
-
نوع عایقبندی: روغنی، رزینی، خشک
-
استاندارد ساخت: IEC 61869-1 و IEC 61869-3
استانداردها و کلاس دقت ترانس ولتاژ
-
کلاسهای اندازهگیری: 0.1، 0.2، 0.5، 1
-
کلاسهای حفاظتی: 2P و 3P و 6P
-
توان نامی خروجی: 10VA، 25VA، 50VA، 100VA
مثال: کلاس 0.2 یعنی حداکثر خطا در ولتاژ نامی، 0.2٪ است.
کاربرد PT در شبکه برق
-
پستهای برق: اندازهگیری و حفاظت
-
تابلوهای فشار متوسط: ولتاژ 6kV تا 36kV
-
خطوط انتقال: حفاظت و مخابرات PLC
-
تجهیزات آزمایشگاهی: کالیبراسیون ولتاژ
تستهای ضروری PT
تست مقاومت عایق
با دستگاه Megger بین سیمپیچها و زمین انجام میشود.
تست نسبت تبدیل (TTR)
ولتاژ مشخص به اولیه اعمال و ولتاژ ثانویه اندازهگیری میشود.
تست قطبیت
برای اطمینان از صحیح بودن فاز اولیه و ثانویه.
تست بار
اندازهگیری توان واقعی در شرایط کاری.
تست مقاومت سیمپیچ
با اهممتر یا میکرو اهممتر انجام میشود.
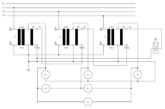
نحوه نصب و اتصال ترانس ولتاژ PT در تابلو و مدار
-
نصب موازی با خط
-
حفاظت اولیه با فیوز یا کلید قدرت
-
اتصال ثانویه به ولتمتر، واتمتر یا رلهها
-
رعایت فواصل ایزولاسیون طبق استاندارد
جهت آشنایی با نحوه عملکرد ترانس ولتاژ PT در مدار روی تصویر زیر کلیک کنید.
حفاظتهای PT
-
فیوزهای حفاظتی
-
برقگیرها
-
سیستمهای قطعکننده مدار
عوامل مؤثر بر قیمت ترانس های ولتاژ
جهت دریافت لیست قیمت انواع ترانس های ولتاژ PT روی تصویر زیر کلیک کنید.
-
نوع PT (القایی، خازنی، رزینی، هوایی)
-
توان و کلاس دقت
-
برند و کیفیت ساخت
-
شرایط محیطی نصب
برند نیروترانس
نیروترانس یکی از برترین تولیدکنندگان ایرانی است که:
-
تحت استاندارد IEC تولید میکند
-
دو بار تست کامل قبل از ارسال انجام میدهد
-
مواد اولیه مشابه ترانسهای فشار قوی استفاده میکند
-
دارای گارانتی ۱۸ ماهه و تأییدیه توانیر است
سه مدل پرکاربرد ترانس های ولتاژ نیروترانس
14.1 ترانس ولتاژ 20kV به 100V
-
توان: 30 و 50VA
-
کلاس: 0.2 و 0.5 + 3P
-
کاربرد: اندازهگیری در تابلوهای فشار متوسط
14.2 ترانس ولتاژ تغذیه 20kV به 220V
-
توان: 1000VA
-
کلاس: 3P
-
کاربرد: تغذیه تجهیزات جانبی پستها
14.3 ترانس ولتاژ هوایی تغذیه 20kV به 220V
-
مقاوم در برابر شرایط جوی
-
کاربرد: خطوط هوایی و مناطق دورافتاده
نکات انتخاب و خرید
-
انتخاب برند معتبر با تست شیت
-
توجه به توان و کلاس دقت
-
بررسی شرایط نصب (Indoor/Outdoor)
-
گارانتی و خدمات پس از فروش
خطاهای رایج و پیشگیری
-
اتصال اشتباه ثانویه → باعث خطای اندازهگیری میشود
-
استفاده بدون فیوز حفاظتی → خطر سوختن PT
-
عدم توجه به کلاس دقت → افت کیفیت اندازهگیری
سوالات متداول
ترانس PT چیست و چگونه کار میکند؟
اگر تازه با ترانسهای ولتاژ آشنا میشوید، این مقاله نقطه شروع خوبی است. در آن توضیح دادهایم که ترانس PT دقیقاً چیست، از چه اجزایی تشکیل شده، و چه نقشی در شبکه برق دارد.
✅ مطالعه مقاله ترانس PT چیست و چگونه کار میکند
—
کاربرد ترانس ولتاژ PT در مدار سه فاز
ترانسهای PT معمولاً در مدار سهفاز بهصورت دو عدد نصب میشوند. در این مقاله نحوه نصب و عملکرد آنها را در مدار سهفاز بررسی کردهایم.
✅ ترانس PT و نحوه عملکرد آن در مدار سه فاز
—
ترانس ولتاژ PT چیست و چه کاربردی دارد؟
در این مقاله، به کاربردهای عملی ترانس PT در تابلوهای فشار متوسط، پستهای برق، و سیستمهای اندازهگیری پرداختهایم.
✅ بررسی کاربرد ترانس ولتاژ PT در صنعت برق
—
قیمت ترانس ولتاژ PT
قیمت ترانس PT به عواملی مثل کلاس دقت، نوع نصب، برند تولیدکننده و نوع عایق (رزینی یا روغنی) بستگی دارد. این مقاله به شما کمک میکند هنگام خرید انتخاب درستی داشته باشید.
✅ مطالعه مقاله درباره قیمت ترانس ولتاژ PT
—
ترانس ولتاژ 20/100 چیست؟
ترانسهای 20/100 پرکاربردترین مدل در شبکه ۲۰ کیلوولت هستند. این مقاله بهطور کامل مفهوم 20 به 100 را توضیح داده و مشخصات فنی آن را بررسی میکند.
✅ معرفی و بررسی ترانس ولتاژ 20/100
—
ترانس ولتاژ PT چیست؟ (نسخه بهروزشده)
در این مقاله نهایی، همهی مفاهیم قبلی را جمعبندی کردهایم و به زبانی ساده، یک راهنمای کامل برای انتخاب و استفاده از ترانس PT نوشتهایم.
✅ راهنمای نهایی ترانس ولتاژ PT چیست
همه چیز درباره ترانس های ولتاژ شبکه 20 کیلو ولت و انواع آنها را در مقاله زیر مطالعه کنید.
تمام اطلاعات مربوط به ترانس های ولتاژ هوایی یا بیرونی را در مقالات زیر مطالعه کنید.
در این مقالات به بررسی انواع این نوع ترانس، علت استفاده از آن و معرفی ترانس ولتاژ تغذیه هوایی نیروترانس پرداخته ایم.
✅ ترانس ولتاژ تغذیه 20/0.22 کیلو ولت شرکت نیرو ترانس
✅ PT هوایی: راهکاری مطمئن برای اندازهگیری ولتاژ در شبکههای برق
علت ترکیدن PT
یکی از سوالاتی که برای مصرف کنندگان پیش می آید این است که چرا در برخی موارد ترانس های اندازه گیری ولتاژ منفجر میشوند.
در این مقاله به بررسی دقیق این موضوع و راه های پیشگیری از آن می پردازیم.






